手機:13827297626
電話:13827297626
郵箱:435281082@qq.com
地址:廣東省東莞市樟木頭鎮圩鎮荔苑路7號星耀國際
發布時間:2020-06-04 點此:3506次
蘋果手機音量鍵輕觸開關廠家批發價格:0.29~0.5元/個;
這款輕觸開關多用于手機上的音量鍵,有防水防塵作用。

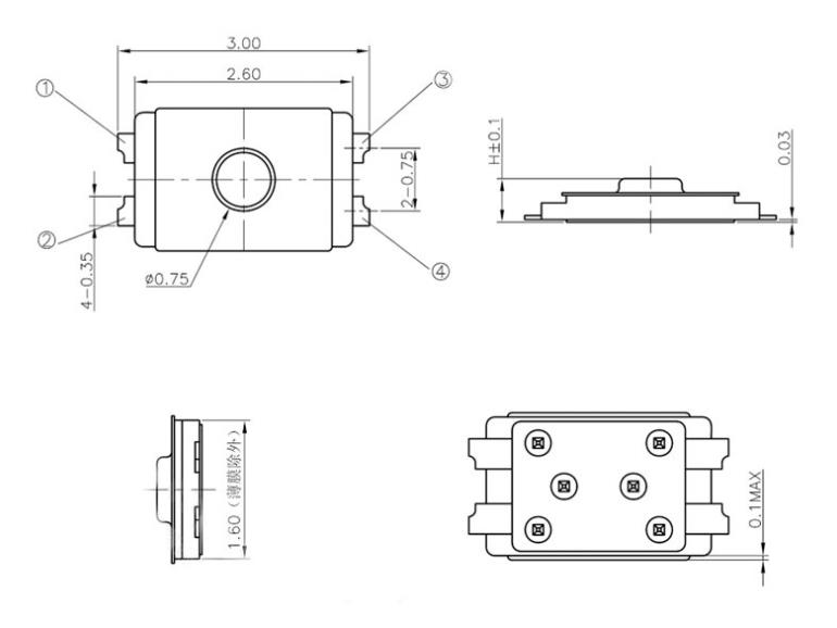
外觀尺寸 (LxW) (mm): 2.6mm×1.6mm 2.6mm×1.6mm
離安裝面高度 (mm) :0.6±0.1mm
操作方法 :正壓型
焊接對應:回流焊
實裝型:表面安裝
額定:DC 12V/50mA
接觸電阻 (mΩ以下):500mΩmax.
絕緣電阻 (MΩ以上 at 100V DC):DC100V 60S 100MΩmin.
耐電壓:AC250V(50~60HZ) 60S min.
振動:10ms 以下 (ON, OFF)
操縱力矩:160gf 240gf
行程種類:短行程
行程 (mm):0.12±0.05mm
使用壽命:50萬次
保護構造:IP67
使用溫度范圍:–40℃~+90℃
保存溫度范圍:–40℃~+90℃
包裝形式:模壓帶包裝 (盤卷包裝)
最小包裝數量:10000PCS/盤



上一篇:插件輕觸開關尺寸圖
下一篇:7*7*12按鍵開關
相關推薦