手機:13827297626
電話:13827297626
郵箱:435281082@qq.com
地址:廣東省東莞市樟木頭鎮圩鎮荔苑路7號星耀國際
發布時間:2020-01-06 點此:4074次
電源插座DC005廠家批發價格:0.09~0.15元/個;


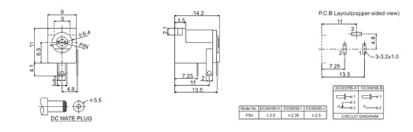
DC插座材料
接觸電阻:Contact Resistance ≤0.03mmΩ
額定負荷:Rated Load 30V DC 0.5A
絕緣電阻:Insulation Resistance ≥100MΩ
插拔力:Insertion and Extraction Force 3N~30N
耐壓:Withstand Voltage 500V,AC/min 電器壽命:Life 5000次
溫度范圍:Temperature -40~+70℃
上一篇:DC-015電源插座
下一篇:薄膜按鍵開關
相關推薦