手機:13827297626
電話:13827297626
郵箱:435281082@qq.com
地址:廣東省東莞市樟木頭鎮圩鎮荔苑路7號星耀國際
發布時間:2023-11-27 點此:1312次

輕觸開關的原理有兩種:一種是利用金屬彈片來完成開關導通截止狀態的切換;另一種是利用導電橡膠來完成開關導通截止狀態的切換。

輕觸開關是一種常用的電子元件,它的結構簡單,使用方便。輕觸開關的結構主要由嵌件、基座、彈片、按鈕、蓋板和引腳組成。其中,彈片是輕觸開關的核心部件之一,它可以實現開關的導通和截止狀態的切換。
輕觸開關功能
輕觸開關,也叫按鍵開關,是一種僅在按壓操作時導通微小電流的開關,可作為各種電子設備的操作信號輸入用開關。它的功能閉合接通,當撤銷壓力時開關即斷開。根據原理的不同,輕觸開關可分為兩種類型:一種是利用金屬彈片來完成開關導通截止狀態的切換;另一種是利用導電橡膠來完成開關導通截止狀態的切換。
其中,金屬彈片型輕觸開關的原理是:當按下開關按鈕時,其彈片受到外力作用發生形變,向下接觸到焊片,使得開關的兩組引腳相導通,從而使得電路呈現導通狀態。當松開開關按鈕時,彈片恢復原狀,與焊片斷開接觸,使得電路呈現截止狀態。這種輕觸開關手感良好,按下按鈕至一定程度時伴隨有滴答的聲音出現,可以感受到明確的操作觸感。
輕觸開關封裝種類
輕觸開關的封裝種類多樣,主要包括DIP封裝、SMD封裝和THT封裝三種類型。
1. DIP封裝輕觸開關:這種開關通常用于PCB板上的電路控制,由于其體積小且安裝方便,因此被廣泛應用于各種電子產品中。
2. SMD封裝輕觸開關:SMD封裝的輕觸開關安裝方便,能夠實現復雜的布局設計,是現代電子產品中常用的開關類型之一。
3. THT封裝輕觸開關:THT封裝的輕觸開關體積較大,通常用于需要承受大電流、大功率的電路控制,如電源開關等。

輕觸開關型號規格
輕觸開關的型號和規格多種多樣,根據引腳數量,可分為兩腳、三腳、四腳以及更多腳的類型。根據封裝方式,可以分為貼片和插件兩種。此外,還可以根據材質、大小等進行分類。
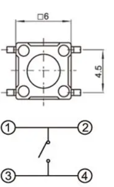
例如,輕觸開關TS-1103,它有四個定位柱和四個引腳,其外觀長寬尺寸為12x12mm。又如輕觸開關TS-1102B,這是一款插件按鍵開關,其規格尺寸為4.5×4.5,一般主要用途于通訊設備、醫療儀器、家用電器、安防產品等領域使用。再如輕觸開關TS-1181A,這款產品的尺寸為3.5×6×2.5,被稱為“3×6×2.5不拉心開關”,力度有160gf和250gf兩種。
總的來說,選擇適合的輕觸開關需考慮其型號、規格、引腳數、封裝形式、尺寸等因素,以滿足不同的電子設備和應用需求。
輕觸開關注意事項
使用輕觸開關時,需要注意以下幾點:
1. 焊接注意事項:在對輕觸開關端子進行焊接時,如果對端子施加過大的負荷,可能會導致端子松動、變形,甚至電特性下降。因此,在焊接時應盡量避免對端子施加過大的壓力。
2. 環境影響:使用通孔印刷電路板或非推薦電路板時,需要注意熱應力的影響,因為這可能會對輕觸開關的正常工作造成影響。
3. 規格選擇:輕觸開關有多種規格,如環保耐高溫、貼片式、插件式等,不同規格的開關有不同的應用場景和性能特點。因此,使用前需要根據具體需求選擇合適的開關規格。
4. 注意手感:很多廠家提供的樣品手感均勻,但在實際量產中,由于各種因素可能會出現手感差異。因此,在選擇和使用時需要注意。
5. 保養維護:輕觸開關應避免頻繁操作,因為頻繁按動會使金屬彈片疲勞失去彈性而失效。此外,為避免長期通電造成的電能消耗或意外事故,該開關在市電停電后會自動斷開,再次來電時不會自行接通(需按動控制按鈕才能接通)。
輕觸開關應用范圍
輕觸開關的應用范圍非常廣泛,這得益于其接觸電阻小、操作力誤差小以及規格多樣化等優勢。在電子設備和白色家電中,如影音產品、數碼產品、通訊產品、家用電器、安防產品、玩具、電腦產品和健身器材等,輕觸開關都得到了廣泛的應用。
此外,輕觸開關在醫療領域也有著重要應用,如醫療儀器等。在商業領域中,輕觸開關可以用于控制照明、空調、音響等設備,為人們提供更加便捷、高效的服務。例如在商場、酒店、餐廳等場所,通過輕觸開關可以實現對燈光的動態變化,從而吸引消費者的注意力。
輕觸開關怎么挑選

選擇輕觸開關時,需要考慮以下幾個因素:
1. 質量:首先需要觀察輕觸開關的手感和外觀,以及它的電阻。這些看似不起眼的細節實際上對決定著開關的質量。
2. 耐久性:選擇具有較高質量和耐久性的輕觸開關,以確保其長時間的使用壽命和可靠性。
3. 可焊性:輕觸開關的可焊性也是一個重要的考慮因素,這關乎到它在實際使用過程中是否方便焊接。
4. 規格:根據實際應用需求選擇合適的開關規格。例如,輕觸開關有平面型、防水型、觸摸型等不同類型,需要根據實際需要進行選擇。
5. 價格:在產品質量、價格成本和工藝上尋求平衡是很重要的。例如,輕觸開關的成本和價格相對較低,不會因為市場原材料波動產生大的價格調整。
6. 力度:輕觸開關的力度也是非常重要的一個參數,不同產品需要的力度不同。例如,一般使用時輕輕點按開關按鈕即可使開關接通,當松開手時開關即可斷開。
總的來說,挑選輕觸開關需要綜合考慮多個因素,包括質量、耐久性、規格、價格以及應用需求等,以選擇最適合的產品。
輕觸開關壽命測試
對于輕觸開關的壽命測試,通常會進行機械性能和電氣性能兩方面的檢測。在機械性能測試中,會將開關先固定在機器的面板上,然后調節好砝碼并設置壽命次數,以每分鐘30-40次的頻率按壓開關,直到達到預設的壽命次數。為了提升效率,有時候也會采用一個帶有偏心機構的小電機來自動帶動開關開合,并用計數器記錄次數。
電氣性能測試則主要側重于接觸電阻和絕緣電阻的測定。此外,還會對開關導通性和手感進行檢測。這些測試有助于確保輕觸開關在使用過程中的穩定性和可靠性。
具體到壽命,國產彈片的壽命一般為7-10萬次;進口彈片單面復銀的壽命10萬次左右;而不銹鋼彈片的壽命則大于50萬次。如果在實際使用中發現開關的壽命未達到這些基本標準,那么可以判斷此輕觸開關為不良品。
輕觸開關性能測試

對于輕觸開關的性能測試,通常會涵蓋電學性能、開關力、按鍵行為和動態特性四個方面。在電學性能測試中,主要會測量接觸阻抗和絕緣阻抗。接觸阻抗的測量條件通常是在1KHz小電流下,而絕緣阻抗則是在端子之間和端子與殼之間加DC 500V條件下持續1分鐘進行。
另外,開關力測試也是重要的一環,通過此測試可以確定輕觸開關的動作距離,從而確保其品質。同時,按鍵行為測試和動態特性測試也能幫助評估輕觸開關的穩定性和可靠性。
除了上述的測試,還有一些特殊的環境適應性測試,包括耐濕試驗、耐冷試驗和耐高溫試驗。這些試驗主要是為了驗證輕觸開關在不同環境條件下的性能穩定性。例如,耐濕試驗是在40±2℃ 90-95%RH環境中放置4天時間,然后放置在正常環境中30分鐘后進行測試;耐冷試驗則是在零下20±3℃溫度環境中放置4天時間,再放在正常環境中30分鐘后進行測試。
輕觸開關未來發展趨勢
輕觸開關作為電子設備的關鍵部件之一,其未來發展趨勢將受到市場需求、科技創新以及新材料、新工藝等多方面因素的影響。目前,一些最新的技術趨勢和市場創新正在不斷塑造輕觸開關的未來,這包括多點觸控、柔性電子、感應觸摸技術以及新材料、智能化和可穿戴技術的應用。
一方面,觸控技術的發展將是輕觸開關未來發展的重要驅動力。具體來說,靜電感應技術以其原理簡單、靈敏度高和良好的抗干擾能力在輕觸開關中有著廣泛的應用前景,這種技術可以應用于觸摸屏、智能家居等領域。此外,電容感應技術的發展趨勢也備受矚目,特別是增強電容技術和投影電容技術,它們在觸摸屏、車載系統等領域中的應用案例層出不窮。壓力感應技術基于壓電傳感器或壓敏材料的設計,其在醫療設備、工控設備等領域的創新應用同樣引人注目。
另一方面,物聯網的發展為輕觸開關帶來了新的應用場景和可能性。通過無線通信技術,輕觸開關可以實現遠程控制、數據采集等功能,進而在智能家居、工業自動化等領域發揮重要作用。
同時,新材料的研發和應用也將推動輕觸開關的未來發展。導電聚合物材料等新材料的出現可能會帶來性能上的提升和新的功能。預計未來幾年內,全球輕觸開關市場規模將繼續保持穩定增長。
輕觸開關焊接

輕觸開關焊接方式有多種,其中常見的有手焊和波焊。手焊的溫度控制在200℃,焊接時間大約10秒鐘;波焊的溫度控制在130℃,焊接時間大約2秒鐘。
輕觸開關四個腳怎么接

輕觸開關四個腳的接法,首先需要理解輕觸開關的基本工作原理。實際上,輕觸開關的工作原理和一般按鈕開關類似,由常開觸點、常閉觸點組合而成。在未受外力作用時(即未按下時),常開觸點和常閉觸點是斷開的;當受到外力作用時(即按下時),常開觸點和常閉觸點閉合,從而使得電路導通。
具體接線方法如下:將萬用表調至二極管處,先測量四角中的任意兩腳,判斷哪兩個角是導通的,哪兩個角是斷開的;按下按鍵,再測量任意兩腳,然后判斷哪兩個角是導通的,哪兩個角是斷開的;開始斷開,按鍵按下導通的兩腳可做為焊接的兩個角。需要注意的是:按鍵開關的工作原理,就是按鍵按下的時候兩個貼片挨近了,也就是導通了;松開的時候,貼片分離,也就是斷開了。
對于一些特定情況,例如某些輕觸開關可能有額外的引腳,這些引腳可能用于接地或其他特殊功能。這種情況下,接地焊接保證了與大塊PCB敷銅接觸,也只是防止不輕易被扯掉,依然是固定作用。但是,對于一般的四腳輕觸開關,通常并不需要額外的接地引腳。
輕觸開關怎么測量好壞
判斷輕觸開關的好壞,可以采取以下步驟:
1. 觀察開關按鈕的外觀,檢查是否有破損或變形的現象。這種情況下,開關按鈕可能會出現不正常的動作或完全失靈。如果有破損或變形,需要更換開關按鈕。
2. 檢查輕觸開關的觸點大小。觸點即可以通斷電路的金屬接觸點,一般來說,輕觸開關的觸點越大越好。但最好不超過輕觸開關面積的一半,否則容易出現卡住的現象。
3. 使用數字萬用表來檢查其導通情況。首先,將萬用表設置為歐姆檔。然后,將一個探頭連接到開關的一個引腳上,將另一個探頭連接到另一個引腳上。如果開關正常工作,萬用表顯示的電阻值應當很小或為零。
4. 從壽命方面來測量:一般國產輕觸開關彈片壽命為5-7萬次,進口輕觸開關彈片單面復銀壽命大于10萬次,不銹鋼彈片大于50萬次,如果壽命達不到這個基本標準,則可判定此四角輕觸開關為壞的。
輕觸開關失靈怎么修
輕觸開關失靈的原因一般有兩種,一是彈片氧化嚴重,導致接觸不良;二是電路問題。修復方法如下:
1. 針對彈片氧化的問題,可以嘗試把彈片的氧化部分刮干凈。如果這個方法無效,或者彈片氧化過于嚴重,那么可以直接更換一個輕觸開關。處理完成后,可以在新的開關的金屬彈片上打點膠固定,然后組裝上開關。
2. 如果問題在于電路,可以用萬用表檢查電極片導通情況。此外,如果發現連接線存在老化現象,可以將其更換為新的連接線。
3. 在處理過程中,如果發現輕觸開關內部電極片失去導電能力,可以更換新的電極片來修復。
在日常使用中,開關內金屬彈片容易氧化可能導致接觸不良等問題。這時可以用刀刮彈片或選擇更換這個開關的金屬彈片元件。處理完成后,可以用膠水固定開關的金屬彈片,然后組裝開關。同時,為了保護開關,使用時盡量避免對按鈕施加過大的壓力。
相關推薦