手機:13827297626
電話:13827297626
郵箱:435281082@qq.com
地址:廣東省東莞市樟木頭鎮圩鎮荔苑路7號星耀國際
發布時間:2023-03-20 點此:1149次
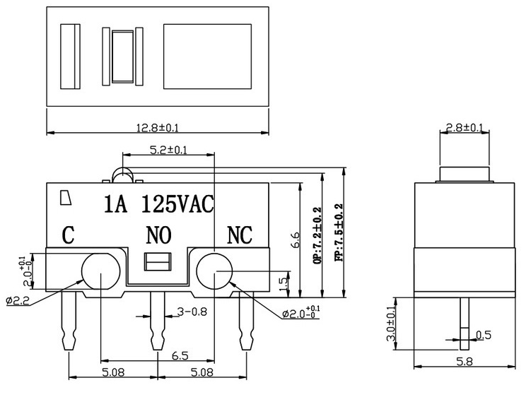
微動開關,又稱微動觸點開關,是一種廣泛應用于電子、電氣領域的開關。它主要由活動觸頭、固定觸頭、彈簧組成,具有接通或斷開電路的功能,可用于控制電路、測量電信號等應用。

微動開關因其微小的體積和高度可靠的開關性能廣受歡迎,通常用在自動控制、儀表、通訊等領域。例如,在機械壓力開關中,當壓力達到一定值,微動開關通過觸碰觸點,控制設備的開關狀態。在智能家居應用中,微動開關可以用于感應門窗是否開啟,從而觸發智能家居系統對安全預警的相應處理。在工業生產中,微動開關可以監測機器設備的運行狀態,從而幫助保障設備安全。

除此之外,我們還可以看到微動開關在汽車工業、電子設備等領域的應用。例如,在汽車方向盤上的方向指示燈便是一種微動開關。當車輛被轉向時,開關的觸點會發生相應改變,從而使指示燈發光,提醒車輛的方向。在手機、筆記本電腦等器件中,微動開關常常用來檢測電池電量、充電狀態、開機等狀態。

隨著科技的不斷進步,人們對于互聯網、環保、節能的要求日益提高,微動開關的應用廣度和深度也在不斷地拓展。未來,我們能夠看到更多微動開關在智能家居、智能交通、工業控制、醫療器械等領域的應用,為人們創造更加舒適、安全、高效的生活體驗。
上一篇:穎鑫輕觸開關生產廠家
下一篇:對射光電開關原理
相關推薦