手機:13827297626
電話:13827297626
郵箱:435281082@qq.com
地址:廣東省東莞市樟木頭鎮圩鎮荔苑路7號星耀國際
發布時間:2022-10-19 點此:6037次
經常有客戶咨詢穎鑫電子小編五向開關的原理是什么,以及如果給手里的五向開關接線,其實五向開關的接線并不是很難,主要是要看懂五向開關的規格圖就可以,大多數五向開關的分類就是貼片和插腳。

多功能的五向開關多用于各類需要多個按鍵集成到一個位置的電子數碼產品上,比如我們常見的顯示屏,很多顯示屏下面至少會有5個按鍵,占用主板的大部分位置,這樣不利于成本的控制以及機身的一體化,所以現在很多的顯示器的按鍵開關,都使用了五向開關去控制,這樣有利于產品的高端化。

同時,五向開關也用戶很多游戲手柄上,得益于手感好,造價低,同時也方便更換,所以很多手柄都會使用各種不同型號的五向開關去替代。
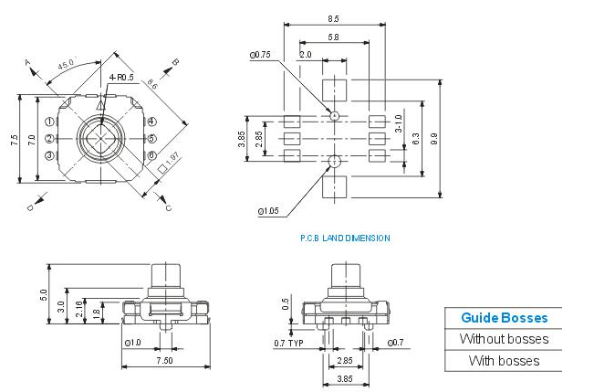
五向開關怎么接線,可以看下下面五向開關的原理圖,以這款五向開關的尺寸原理圖為例,這個可以確定五向開關的安裝尺寸或者在主板上的占位大小,方便開發人員設置。

五向開關接線圖,通過這個圖,開發人員就知道五向開關的不同號針腳是接哪個位置了。

上一篇:干簧管是一種什么元件?
下一篇:發熱內衣輕觸開關主板開發案例
相關推薦