手機:13827297626
電話:13827297626
郵箱:435281082@qq.com
地址:廣東省東莞市樟木頭鎮圩鎮荔苑路7號星耀國際
發布時間:2020-12-21 點此:75478次
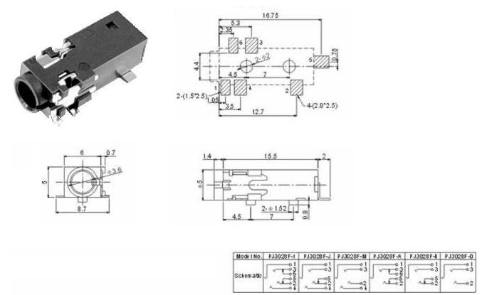
3.5mm的音頻耳機插座的結構
根據常規接口規范,電腦機箱的音頻插口有兩種:1,開關型的;2、無開關型;

如上圖,開關型耳機插座的2和3以及4和5分別各有開關控制,當沒有耳機插頭插入時,他們四個是連通的,當有耳機插頭插入時,就斷開。而無開關耳機插座,則沒有4和5兩個開關端。

關于耳機插座的接線上一般都是區分有幾種接線法的,首先是三段式耳機插座通常的標準的接線一般分別接左聲道、右聲道、地線就選行。但是由于一些耳機插座的規格分類比較眾多,目前對于五腳耳機插座的規格一般都是應用于功放設備(音響設備)的使用,其接線1引腳仍然對應于地引腳,2、3引腳分別對應接左聲道輸出以及喇叭線。而最后的4、5引腳分別接右聲道輸出及喇叭線即可。
3.5mm耳機插頭分類

二芯耳機插頭一般用于麥克風,三芯耳機插頭一般用于立體聲音的耳機或者音響,現在大部分都是三芯的耳機插頭比較多。
二芯耳機插頭接線圖

三芯耳機插頭接線圖

耳機插座使用注意事項
注意事項一
耳機插座的使用上,不能用其它三段式或者是四段式規格的耳機插座替換使用,因為對于功放設備使用的耳機插座接線要求要是滿足不了,其它規格的耳機插座是兼容不起使用的。
注意事項二
關于耳機插座接線中2和3腳,以及3和4腳之間的接線不要相互接錯了,否者在耳機插座的使用上會造成沒聲的問題情況。
注意事項三
耳機插座使用過程中其接口要注意防止有水氣的侵入,否者會導致發生線路短路等情況,從而造成耳機插座使用上出現雜音或者是無聲的問題。
注意事項四
耳機插座區分的國標與美標接線說法,那么對于在耳機插座操作接線前就要先了解相應規格說明書是否是標識的國標還是美標的接法。以免導致耳機插座插座的接線上接錯。
注意事項五
耳機插座與插頭的接插,也是要注意不能過大的力度拔出,或者是接入。以免過大力度接插的情況會造成耳機插座內部的金屬芯片磨損,而且還會容易導致造成耳機插座與插頭的接插連接出現松動等狀況。
上一篇:邊三腳輕觸開關
下一篇:tact switch